Фланец под пожарный гидрант
Фланец устанавливается в водопроводной сети и предназначен для крепления пожарного крана.
| Описание |
Допускается присутствие на товаре консервационной смазки и незначительного налета коррозии, не оказывающей влияния на эксплуатационные свойства товара |
| Инженерная система | Пожаротушение |
| Материал | сталь |
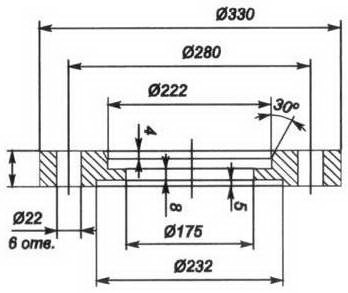
| Внешний диаметр фланца пожарного гидранта | 330 мм |
| Межосевой диаметр фланца пожарного гидранта | 280 мм |
| Количество отверстий фланца пожарного гидранта | 6 шт |
| Диаметр отверстий фланца пожарного гидранта | 22 мм |
| Номинальный диаметр болтов и шпилек для фланца пожарного гидранта | М20 |
| Масса нетто | 5.855 кг |
| Страна происхождения | Россия |
| Примечание | фланец насаживается на трубу Ду-200 (наружный диаметр 219 мм) и приваривается по окружности, с другой стороны к фланцу через прокладку крепится шестью болтами или шпильками пожарный гидрант |
| Модель | ПГ |
| Давление | Ру10 |
| Диаметр условный, мм | 175 |
| Условие производства | ТУ 43.22.11-004-11885591-2017 |
После оформления заказа и адресной доставки с Вами свяжется менеджер (в рабочие дни с 8:00-16:30) для проверки заказа и назначения времени доставки.
Доставка осуществляются с пн-пт с 8:00-16:30. Стоимость доставки товара по городу Твери составляет 2000 р с НДС., автомобиль Газель.
При сумме заказа от 50 000 рублей,в том числе при заказе через сайт, доставка по Твери для физических лиц бесплатная.
Для оптовых клиентов (организаций) – бесплатная доставка от 65000 рублей в черте.
Доставка до транспортной компании в г.Твери -650 рублей.
Доставка по Тверской области согласовывается с менеджерами по телефонам организации. Оплату доставки возможно произвести безналичным путем при оплате счета,либо наличными денежными средствами водителю при получении товара. Условия доставки:
1. При оформлении заказа необходимо указать точный адрес места доставки и контактный телефон. Приветствуются дополнения в комментариях к заказу.
2.При приемки товара необходимо проверить товарный вид и комплектность поставки в присутствии водителя-экспедитора. Право собственности на товар и связанные с ним риски переходит от Поставщика к Покупателю с момента передачи товара покупателю.
3.Выгрузка осуществляется силами покупателя.Подъём на этаж водителем НЕ осуществляться. Дополнительные условия для юридических лиц: Если ваш заказ оформлен на организацию, для его получения вам необходимо иметь при себе паспорт, доверенность или печать организации для оформления отгрузочных бухгалтерских документов.
А.П.Левченко*Для уточнения стоимости доставки по области - обратитесь к вашему менеджеру
Безналичный расчет для Юридических лиц (цены на сайте указаны с НДС - 22%)
При заказе товара или услуг по безналичному расчету необходимо предоставить банковские реквизиты. Выставленный счет действителен в течение 3-х банковских дней.
Для этого Вы можете направить нам ваши реквизиты по адресу info@sanar-tver.ru и позвонить по контактному телефону +7 (4822) 32-28-74,34-30-56.
Товар отгружается только после фактического поступления денег на расчетный счет при наличии доверенности от организации и паспорта. Оплата заказов клиентами - юридическими лицами возможна как по безналичному расчету, так и за наличность.
Все необходимые для бухгалтерии документы (оригинал счета на оплату, счет-фактура, накладная) выдаются вместе с заказом при получении.
Оплата наличными или банковской картой для физических лиц
Мы доставляем товары, заказанные в нашем магазине (с оплатой наличными). Прием и оплата товара производится в присутствии нашего сотрудника службы доставки. При этом проверяется комплектность изделия и отсутствие внешних дефектов.
Так же можно забрать товар самовывозом с нашего склада по адресу: г. Тверь, Московское шоссе, дом 30. Оплата (банковской картой или наличными) и приемка товара производиться на складе.
Банковский перевод или оплата онлайн
Вы можете оплатить заказ через любой банк, действующий на территории России.
При банковском переводе от частного лица требуются паспортные данные плательщика. Счет со всеми параметрами Вашего заказа Вы сможете получить после согласования деталей заказа и резервирования товара отделом продаж.
Выставленный счет действителен в течение 3-х банковских дней. Заказ резервируется на складе до момента поступления денежных средств, и удерживаются в резерве не дольше 3х рабочих дней.
Срок зачисления денежных средств - 1-2 рабочих дня. Заказ отгружается только после фактического поступления денег на расчетный счет.
Фланец устанавливается в водопроводной сети и предназначен для крепления пожарного крана.
| Описание |
Допускается присутствие на товаре консервационной смазки и незначительного налета коррозии, не оказывающей влияния на эксплуатационные свойства товара |
| Инженерная система | Пожаротушение |
| Материал | сталь |
| Внешний диаметр фланца пожарного гидранта | 330 мм |
| Межосевой диаметр фланца пожарного гидранта | 280 мм |
| Количество отверстий фланца пожарного гидранта | 6 шт |
| Диаметр отверстий фланца пожарного гидранта | 22 мм |
| Номинальный диаметр болтов и шпилек для фланца пожарного гидранта | М20 |
| Масса нетто | 5.855 кг |
| Страна происхождения | Россия |
| Примечание | фланец насаживается на трубу Ду-200 (наружный диаметр 219 мм) и приваривается по окружности, с другой стороны к фланцу через прокладку крепится шестью болтами или шпильками пожарный гидрант |
| Модель | ПГ |
| Давление | Ру10 |
| Диаметр условный, мм | 175 |
| Условие производства | ТУ 43.22.11-004-11885591-2017 |